全球福悅
  • 關於全球福悅
  • 福悅民生
    • 關於福悅民生(About Well-being)
    • 環保(Sustainability)
    • 健康(Well-being)
  • 福悅事業
    • 環保(Sustainability)
    • 健康(Well-being)
  • 福悅之光
    • 關於福悅靈光(About Divine Soul Light)
    • 心靈科學(Mind Sciences)
    • 生命科學(Life Sciences)
  • 最新消息
    • 福悅之光(Divine Light)
    • 福悅民生(Well-being)
  • 聯絡我們
頁面上方banner
  1. Home
  2. 最新消息
  3. 最新訊息
  4. 福悅民生(Well-being)
顯示分類
最新訊息
福悅之光(Divine Light)
  • 心靈科學(Mind Sciences)
  • 生命科學(Life Sciences)
福悅民生(Well-being)
  • 健康(Well-being)
  • 環保(Sustainability)
最新訊息/福悅民生(Well-being)/環保(Sustainability)
2025/11/27
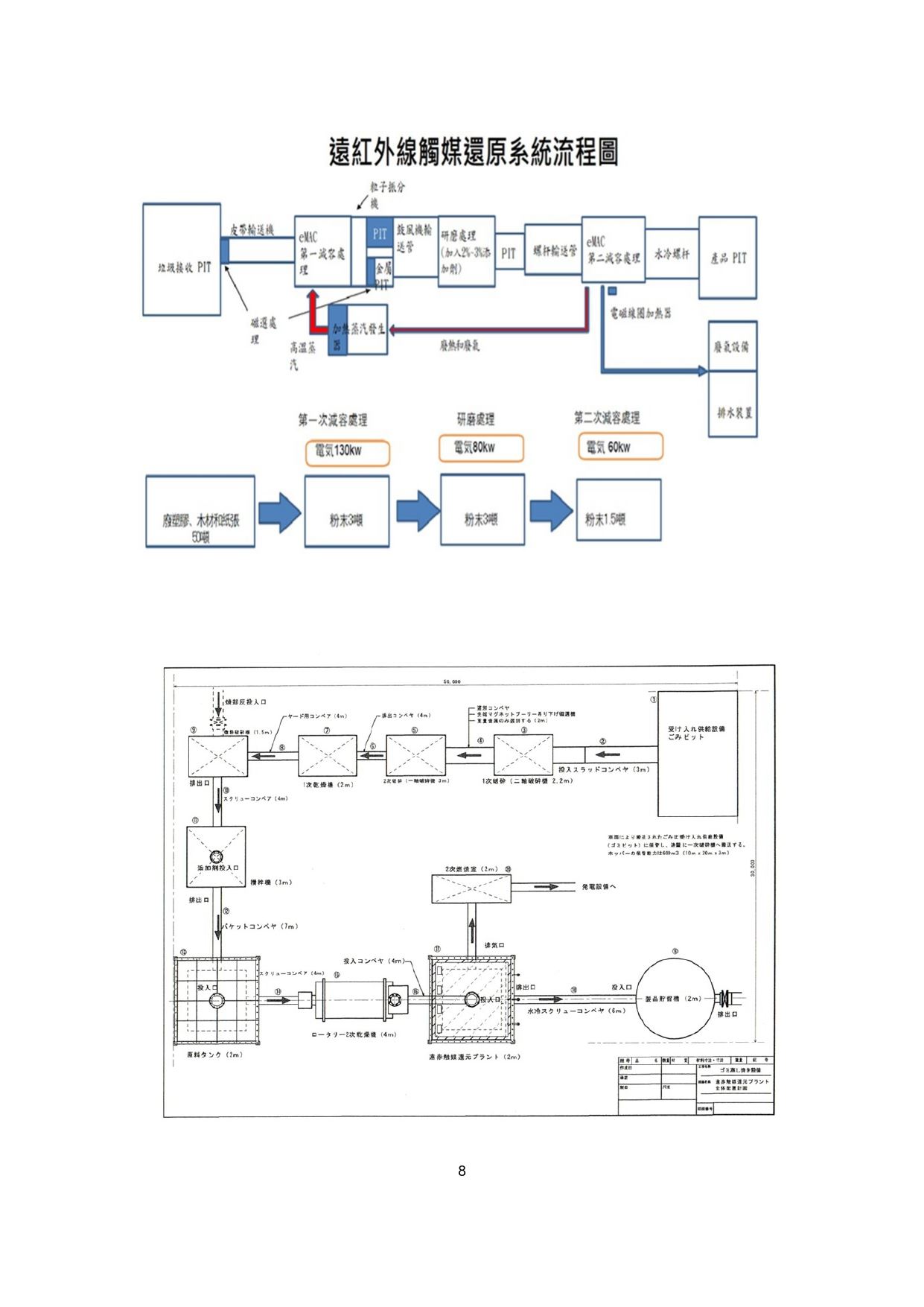
全球福悅遠紅外線光子觸媒還原系統營運企劃書
  • 回列表頁
  • Top
TOP
  • 公司名稱:全球福悅有限公司 統一編號:83729738
  • greatsea@globalhappiness.associates
Copyright © 全球福悅有限公司 All Rights Reserved.
網頁設計 : 藝誠網頁設計公司
global happiness associates